全桥结构最适合于直流范围非常宽的应用,这就是几乎所有笔记本电脑都采用全桥方式的原因。在笔记本电脑中,的直流直接来自系统的主直流电源,其变化范围通常在7V(低电池电压)至21V(交流),另外,全桥结构在液晶彩电、中也有较多的应用。
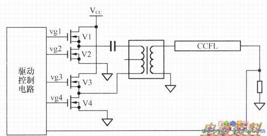
全桥结构驱动一般采用4只场效应管或4只三极管构成,根据场效应管或三极管的类型不同,全桥驱动电路有多种形式,下图是采用4只N沟道场效应管的驱动电路形式。

电路工作时,在驱动控制的控制下,使Vl、V4同时导通,V2、V3同时导通,且Vl、V4导通时,V2、V3截止,也就是说,Vl、V4与V2、V3是交替导通的,使初级形成交流电压,改变开关脉冲的占空比,就可以改变Vl、V4和V2、V3的导通与截止时间,从而改变了变压器的储能,也就改变了输出的电压值。
需要注意的是,如果Vl、V4与V2、V3的导通时间不对称,则变压器初级的交流电压中将含有直流分量,会在变压器次级产生很大的直流分量,造成磁路饱和,因此全桥电路应注意避免电压直流分量的产生。也可以在初级回路串联一个,以阻断直流。
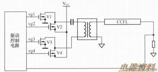
下图是采用两只N沟道场效应管和两只P沟道场效应管的驱动电路形式。电路工作时,在驱动控制IC的控制下,使V4、Vl同时导通,V2、V3同时导通,且V4、Vl导通时,V2、V3截止,也就是说,V4、Vl与V2、V3是交替导通的,使变压器初级形成交流电压。
