这种PLC控制的压缩机,能高效可靠地完成畜牧草的压缩,实现畜牧草压缩的自动化。
压缩机的工作过程示意图如上图所示,压缩机的工作循环图如下图所示。
通过传送带将切碎了的畜牧草装入压缩腔,之后气缸1开始工作,从上向下压缩畜牧草,当气缸1工作到位后,气缸2开始工作,从后向前压缩畜牧草,当气缸2工作到位后,气缸3开始工作,从左向右压缩畜牧草,当畜牧草被压缩到一定的体积后,通过气缸3的联动机构将压缩腔右侧的门锁打开,气缸3继续工作将已经压缩好的畜牧草推出压缩腔,然后气缸1、2、3同时换向返回,气缸3在返回过程中将门锁重新锁上,当所有气缸返回到原始位置后,开始延时,30秒后自动循环工作。
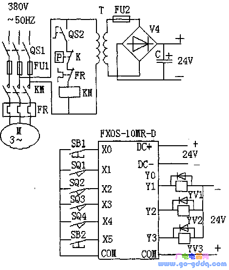
由于畜牧草压缩机属于农用机械,所以尽可能地节约成本、保证需求和安全可靠是设计的关键,故在设计上应尽量减少输入、输出点数。根据压缩机的工作过程,应有3个气缸工作控制用电磁阀,当电磁阀得电时,为压缩状态;当电磁阀失电时,为压缩返回状态,所以系统应有3个输出点。现场输入信号为4个,缸1、缸2的压缩方向设置行程开关,而返回方向不设置行程开关,当返回到气缸行程极限时会自动停止;气缸3在两个方向均设置了行程开关。另外设置了2个人工控制按钮,分别为启动按钮和停车按钮。所以系统的输入点为6个。由此我们选用了超小型的可编程序控制器,三菱公司的FXOS-10MR-D,它有6个输入点和4个输出点,刚好能满足要求且成本低廉。由此对输入、输出地址进行分配,如下表所示。
| 地址 | 元件名称 | 元件功能 |
| X0 | SB1 | 工作启动按钮 |
| X1 | SQ1 | 下压到位行程开关 |
| X2 | SQ2 | 前压到位行程开关 |
| X3 | SQ3 | 出料到位行程开关 |
| X4 | SQ4 | 出料返回到位行程开关 |
| X5 | SB2 | 停止按钮 |
| Y0 | ||
| Y | YV1 | 下压电磁阀 |
| Y2 | YV2 | 前压电磁阀 |
| Y3 | YV3 | 右压一出料电磁阀 |

由PLC及空气压缩机组成的压缩机的电气原理图如下图所示。

空气压缩机电机设置了短路保护(FU1)过载保护(FR)及压力自动控制开关(K)。PLC的输出端设置了续流,对输出的触点进行防止过的保护。 PLC选用了直流供电型,可以降低PLC的功耗和发热量。
根据压缩机的动作要求,列出了压缩机的电磁阀动作顺序表,如下表所示。
| 动作名称 | YV1 | YV2 | YV3 |
| 原位 | - | - | - |
| 下压 | + | - - | |
| 前压 | + | + | |
| 右压、出料 | + | + | + |
| 压缩返回 |