1 卫星电视下(高频头)的功能
卫星电视低下变频器又称为高频头(也称卫星电视的室外单元),它是由微波低噪声放大器,微波器,第一本振和第一中频组成,其框图如图1所示。

图1 高频头的原理框图
一般的卫星电视接收系统主要包括:(1)天线;(2)馈源;(3)低噪声下变频器,也称为高频头(是由低噪声放大器与下变频器集成的组件),用表示;(4)电缆线;(5)端子接头;(6)卫星接收机;(7)电视接收机。
卫星电视接收系统框图如图2所示。

图2 卫星电视接收系统框图
由于卫星电视接收系统中的地面天线接收到的卫星下行微波信号经过约40 000 km左右的远距离传输已是非常微弱,通常天线馈源输出载波功率约为-90dBmW[注]。若馈线损耗为0.5 dB,则低噪声放大器输入端载波功率为-90.5 dBmW。第一变频器和带通的损耗约为10 dB,第一中放的增益约为30 dB。这样,若低噪声放大器给出增益(40~50) dB,则下变频器输出端可以输出(-30~-20) dBmW的信号。因此,卫星电视下变频器的作用是在保证原信号质量参数的条件下,将接收到的卫星下行的信号进行低噪声放大并变频。
2 卫星电视下变频器的结构
卫星电视下变频器中的低噪声放大器一般是将波导同轴转换器与低噪声放大器合成一个部件。如果要达到噪声温度低和增益高,通常包含3~4级放大,前两级为低噪声放大器,主要采用高电子迁移率HEMT器件,后两级为高增益放大器,主要采用砷化镓场效应晶体管GaAsFET。典型的LNA的噪声温度在C 波段约为(20~40)°K。增益约为(40~50) dB,输出输入驻波比(VSMR)小于1.5。图3给出了低噪声放大器(LNA)的电原理图,设计时通常先给出必要的参数,如S参数、级数、匹配电路的方式、噪声参数、输出等等,然后利用计算机CAD软件进行优化设计并作出微带线电路图。

图3 低噪声放大器的电原理图
第一变频器和带通是由第一本振、第一混频器及带通器组成的,其作用是将低噪声放大器输出的下行微波信号变为中频信号,变频前后信号的带宽保持不变。
第一本振通常以介质谐振器作为谐振回路,采用耦合微带线耦合能量,使用CaAs-FET作为基本放大电路来实现振荡器。介质谐振器的介电常数很高,通常在35~40之间,谐振时,由于介电常数高,电磁场大部分集中在介质内部,与金属谐振腔类似。介质谐振腔的优点是温度稳定性好,品质因数Q值高,体积小,价格低,容易和微带线耦合而制成MM。
图4给出2种实际的介质谐振器振荡器电原理图。

图4 介质振荡器电原理图
实际的介质谐振器振荡器中不仅需要考虑介质谐振器的参数、位置及微带线的参数,还要考虑场效应晶体管输出输入的的问题和直流偏置电路的设置。
第一混频器由非线性元件、输入信号与本振信号混合网络及一些附加电路组成,如图5所示。

图5 第一混频器框图
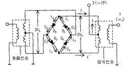
输入信号与本振信号混合后叠加在非线性元件上,非线性元件通常采用晶体和三极管,使其工作在伏安特性曲线的非线性区。由其非线性作用使输出端产生出和频、差频、等一系列信号,可用滤波器选取所需的差频信号,应能达到混频的目的。实际电路中,常采用二极管混频器,它的结构简单,便于集成化,工作稳定,噪声系数低,工作频带宽,大。虽然,这种混频器没有变频增益,只有变频损耗,但这种损耗容易加放大器予以补偿。实际应用中,还要考虑输入信号与本振信号的隔离及对寄生频率的抑制等,通常采用双平衡混频器,它主要由二极管桥和平衡、不平衡变换器组成,电原理图如图6(图中巴仑 (balun)为平衡、不平衡线路)所示。

图6 双平衡混频器电原理图
四个特性相同的混频二极管按同一极性顺序连接成环形桥路,输入和本振信号通过变压器耦合,将不平衡的输入变换为平衡输出加到二极管桥的两对角线上,从而总的中频等于四个二极管所产生的中频电流的总和。
双平衡混频器具有主要特点如下:
(1)输入信号与本振信号之间有高隔离度;
(2)工作频带宽;
(3)动态范围大,抗过载能力强;
(4)对寄生频率有很好的抑制能力;
(5)能抑制本振引入的噪声。
第一中放也称前置中放,通常是直接和混频器相接的,它的作用是把混频器输出的微弱中频进行放大、以补偿混频器、带通滤波器以及室外、室内单元间连接的高频电缆所引起的衰减。第一中放通常直接采用块。
由于二次变频式的卫星接收系统第一中频通常选择在1 G左右,这个频率处于微波放大器和高频放大器的交界处,因而电路结构方式可以用分布参数、集中参数或二者的混合形式三种。