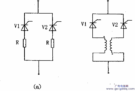
当单个晶闸管的通态平均不能满足需要时,可以采用两个以上同型号的晶闸管并联使用。由于管子特性不可能完全一致,在触发导通时,触发低的管子将先导通,导通后内阻小的管子将流过较大的电流,这样会导致管子过电流损坏,所以必须加均流措施。
在小功率设备中,常采用均流,如7(a)所示。在大功率设备中,由于电流大,一般采用一个带中心抽头的均流电抗器,如图(b)所示。
采用均流措施后,电流分配仍会不完全均等,因而在晶闸管并联运行时应把其额定电流降低使用,一般乘以系数(0.8~O.9)。

当单个晶闸管的通态平均不能满足需要时,可以采用两个以上同型号的晶闸管并联使用。由于管子特性不可能完全一致,在触发导通时,触发低的管子将先导通,导通后内阻小的管子将流过较大的电流,这样会导致管子过电流损坏,所以必须加均流措施。
在小功率设备中,常采用均流,如7(a)所示。在大功率设备中,由于电流大,一般采用一个带中心抽头的均流电抗器,如图(b)所示。
采用均流措施后,电流分配仍会不完全均等,因而在晶闸管并联运行时应把其额定电流降低使用,一般乘以系数(0.8~O.9)。
