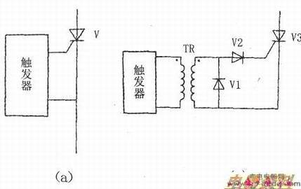
(1)直接输出方式
触发与晶闸管门极直接连接称为直接输出,如下图(a)所示。直接输出的优点是效率较高,电路简单,对脉冲前沿的陡度影响小,它的缺点主要是触发电路与主电路有电的联系,只有在触发少量晶闸管而触发电路与主电路不需要绝缘的情况下才能运用。
(2)脉冲输出。
当需要同时触发多个晶闸管时,常采用脉冲变压器输出方式,如下图(b)所示。其优点是主电路与触发电路没有电的联系,选择极性方便。缺点是脉冲变压器要消耗一部分触发脉冲功率,使输出脉冲的幅度与前沿陡度受到损失。

(1)直接输出方式
触发与晶闸管门极直接连接称为直接输出,如下图(a)所示。直接输出的优点是效率较高,电路简单,对脉冲前沿的陡度影响小,它的缺点主要是触发电路与主电路有电的联系,只有在触发少量晶闸管而触发电路与主电路不需要绝缘的情况下才能运用。
(2)脉冲输出。
当需要同时触发多个晶闸管时,常采用脉冲变压器输出方式,如下图(b)所示。其优点是主电路与触发电路没有电的联系,选择极性方便。缺点是脉冲变压器要消耗一部分触发脉冲功率,使输出脉冲的幅度与前沿陡度受到损失。
