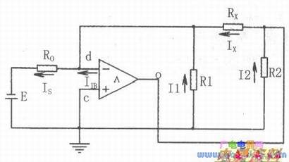
无论多么复杂,总可以把与被测量Rx相并联的元件等效为两只互相串联的Rl和R2,由此构成三角形网络,基本原理如下图所示。只要使Rl(或R2)两端呈等电位,即URl=0,则Rl相当于开路,Rl和R2就不起分流作用,R2变成集成运放A的电阻,这样即可直接测量Rx的阻值。如何使Rl两端等电位呢?可利用集成运放的理想特性设计电路。下图中,E为测试,Is为测试。设流过Rx、Rl、R2的电流分别为Ix、Il、I2,运算放大器A的输入偏置电流为IIB。根据基尔霍夫电流定律可知:
![]()
因IIB很小,可忽略不计;又根据“虚地”原理,Ucd=11Rl≈0,故Il≈0,亦可忽略不计。由此得到:
![]()
再考虑到c点接地,d点为虚地,因此得到:
![]()
由此推出被测电阻Rx上的电压为:

即:
显然,只要用数字电压表测出Rx两端的电压降Ux,就能求出Rx值。此外,考虑到d点虚地,因此数字电压表可直接连接到负载电阻R2两端(即Uo与地之间)。
这就是在线测量电阻的基本原理。
需要指出,“式1”中的IIB有正负之分,因为运放输入级偏流的方向,视其内,部电路结构而定。以型差分对管为输入级的运放(如LM358、LM324),其IIB是流出的(见下图),现记作+IIB。而采用NPN型差分对管为输入级的运放(如uA741),其IIB却是流入的,需用-IIB来表示。但无论IIB的电流方向如何,其数值一般仅为5~80nA,因此在式“2”中可以忽略不计。
