动态扫描广泛应用于的显示程序中,它其实可做成一个模块。下面分别给出4位动态扫描显示的汇编程序和C语言程序,从中体会其模块意识。
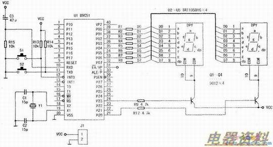
硬件如下图所示。
一、汇编程序
人口:数据放于30h-33h
出口:无


二、C程序
人口:编译时自动安排待显示数据disdatd[4]的地址
出口:无



从上面两段程序可知:C语言程序不用去寻找入口的单元位置,引用时只要定义一个数组disdata[4]就可以了,优势很明显。如果该段程序被调试通过,下次引用时就不用到程序中去寻找人口地址了。
上面两段程序略作修改,可以用于显示最多八位的共阳数码管。
采用模块化编程有程序开发高效率,子程序可以重用,便于调试和修改等优点。