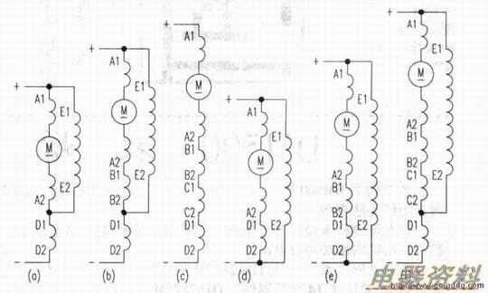
复励式复励式直流电机的主磁极励磁绕组有两个,一个与电枢绕组并联,另一个与电枢绕组串联(其中并励绕组用El、E2表示,串励绕组用Dl、D2表示)。这类电机有6种类型,其接线图分别见下图(a)、(h)、(c),、(d)、(e)、(f)。
复励式电机综合了并励式电机和串励式电机各自的优点.即既能保证较硬的机械特性,又能保证其安全运行。由图5可以看出,即使并励绕组断路,它的主磁极也不会失磁,因还有串励绕组存在。此时电机实际成为一个串励直流电机,故能保证安全运行。因此,目前复励式直流电机在大多数领域都有应用。
