SFC(SequeentialFunctionC顺序功能图)是一种新颖的、按照工艺流程图进行编程的图形编程语言。SFC程序按照设备的动作顺序进行编写,在程序中可以很直观地看到设备的动作顺序,因此程序比较容易读懂。此外,SFC程序没有复杂的互锁,这样,当设备出现故障时,就能很快查找出故障位置。使用SFC顺控指令编程除具有直观、简单、逻辑性强的特点外,还能提高工作效率,而且程序调试极为方便。下面通过对自动配料车实验控制装置系统控制实例来说明SFC编程方法。
一、功能
系统启动后,配料装置能自动识别货车到位情况及对货车进行自动配料,当车装满时,配料系统能自动关闭。自动配料系统模拟实验而板见图1。
二、配料车工作过程分析
1、初始状态
系统启动后,红灯L2灭,绿灯L1亮,表示允许汽车开进装料。料斗出料口D2关闭,若料位Sl置为OFF(料斗中的物料不满).进料阀开启进料(D4亮):当Sl置为ON时(料斗中的物料已满),则停止进料(D4灭)。电动机MI—M4均为OFF,而当电动机M1~M4均为ON时,传送带开始工作。
2、装车控制
装车过程中,当汽车开进装车位罱时,限位开关置为ON,红灯信号灯L2亮,绿灯Ll灭:同时启动电机M4,经过2s后,启动M3,再经2s后启动M2,再经过2s最后启动M1.再经过2s后才打开出料阀(D2亮),物料经料斗出料。当车装满时,限位开关SQ2为ON.料斗关闭.2s后Ml停止,M2在Ml停止2s后停止.M3在M2停止2s后停止,M4在M3停J卜2s届最后停止。同时,红灯L2灭,绿灯Ll亮,表示汽车可以开走。

3、停机控制
按下停止按钮SB2,自动配料装车的整个系统终止运行。
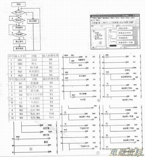
三、配料车输入/输出(I/O)分配
根据配料小车控制功能及流程图,列出输入,输出(I/O)分配见附表。
四、控制功能流程
由前面的工作过程分析,绘制出自动配料装车流程见图2。
五、SFC程序编制
SFC的结构由步+转换条件+有向连接+机器工序的各个运行动作等组成。SFC程序的运行从初始步开始,每次转换条件成立时执行下一步,在遇到END步时结束向下运行。图3为SFC基本的程序结构,它是由GXDevelop编程软件编制而成。下面介绍SFC程序编制的方法和步骤。
1.创建新工程
启动GXDevelop编程软件,出现软件操作界面。单击“’工程”菜单,点击创建新工作菜单项或点击新建工程按钮。弹出创建新工程对话程。以三菱系列PLC为例,在PLC系列下拉列表框中选择FXCPU,PLC类型下拉列表框中选择FX2N.在程序类型项中选择SFC.在工程设置项中设置好工程名和保存路径之后.点击确定按钮。
2.激活SFC初始状态
在上述创建新工程对话框点击确定按钮,将弹出块列表窗口。
双击第o块或其他块,弹出块信息设置对话框。
在块标题文本框中可以填人相应的块标题(也可以不填),在块类型中先选择梯形图块,激活SFC程序中初始状态,点击执行按钮弹出梯形图编辑窗口(如图4所示).在右边梯形图编辑窗口中输入启动初始状态的梯形图,在梯形图编辑窗口中单击第零行输入初始化梯形图,输入完成后单击“变换”菜单选择“变换”项或按F4快捷键,即可完成梯形图的变换。
3、编辑SFC程序
上面完成了程序的第一块(梯形图块).双击工程数据列表窗口中的“程序”、“MAJN”返回块列表窗口。双击第1块,在弹出的块信息设置对话框中块类型选择SFC.在块标题中可以填入相应的标题或什么也不填,点击执行按钮,弹出SFC程序编辑窗口(如图5所示)。在SFC程序编辑窗口中光标变成空心矩形。
在SFC程序中仍然需要进行梯形图设计。SFC程序中所有的状态转移用TRAN表示。在SFC程序中每一个状态或转移条件都是以SFC符号的形式出现在程序中,每一种SFC符号都对应有图标和图标号、图标号后面还有一个问号(?)。输入使状态发生转移的条件.SFC程序编辑窗口将光标移到第一个转移条件符号处,在右侧梯形图编辑窗口输入使状态转移的梯形图,编辑完一个条件后按F4快捷键转换,转换后梯形图由原来的灰色变成亮白色,SFC程序编辑窗口中后面的问号(?)就会消失。若再输入下一个工步,在左侧的SFC程序编辑窗口中把光标下移到方向线底端,按工具栏中的工具按钮或单击F5快捷键弹出步输入设置对话框。输入图标号后点击确定,这时,光标自动向下移动,创建了图标和图标号。
接下来对各工步进行梯形图编程。将光标移到步符号处(在步符号处单击).此时右边的窗口边呈可编辑状态,在右侧的梯形图编辑窗口中输入梯形图,此处的梯形图是指程序运行到此工步时,耍驱动哪些输出线圈。当输入完跳转符号后,在SFC编辑窗口中可以看到,有跳转返回的步符号的方框中多了一个小黑点儿,说明此t步是跳转返回的目标步。至此,自动配料车实验控制装置系统SFC程序编制完成(见图5)。
4.SFC程序变换
所有SFC程序编辑完后,点击变换按钮进行SFC程序变换(编译)。如果在变换时弹出块信息设置对话框不用理会.点击执行按钮即可,变换后的程序就可以仿真实验或写入PLC进行调试。如果想观看SFC程序对应的顺序控制梯形图可以这样做:点击工程\编辑数据、改变程序类型,进行数据改变。配料车SFC程序对应的顺序控制梯形图参考程序,如图6~图8所示。
