此汉字库使用ATMEL公司的产品89C51作为主控CPU,使用TFT控制板来控制320 x240点阵图形,将汉字“国家”送到液晶屏的(2,O)处显示。
TFT控制与的连接信号定义如下:
具体电路如图所示。
硬件设计说明:A15后作为液晶显示器的片选/CS。

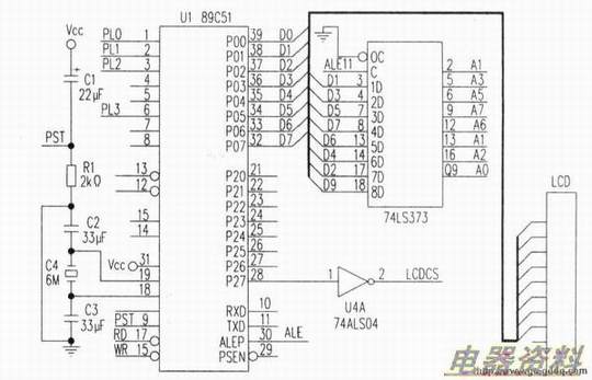
此汉字库使用ATMEL公司的产品89C51作为主控CPU,使用TFT控制板来控制320 x240点阵图形,将汉字“国家”送到液晶屏的(2,O)处显示。
TFT控制与的连接信号定义如下:
具体电路如图所示。
硬件设计说明:A15后作为液晶显示器的片选/CS。
