我们知道,一幅二维空间的图像画面的传送,无不采用“顺序方式”进行,也就是从画面的左上方第一个开始,在帧扫描的一个时间内,一行接一行的快速行扫描,直至画面右下方最后一行最后一个像素为止。将扫过的每一个彩色像素按三基色原理转换成以时间先后为顺序的三个独立的视频信号(亮度信号Y,色差信号R—Y和B—Y),这只是传送了一帧画面。为了消除视觉上的闪烁现象,1s内需要50帧以上,不过当今TV信号中,采用的隔行扫描方式,帧频(场频//π)只有25。
而当前的“高清”彩色电视机中,则是将上述信号首先进行数字化、数字,对于隔行扫描的视频信号还要去交织,然后进行图质增强、降噪、运动检测与补偿,数字变焦等。输出三基色R、G、B至显示器,使图像在显示屏幕上再现。对于CRT“高清”彩电而言,还必须根据CRT的显像原理分离出行、场扫描的触发信号,通过行、场扫描,产生高线性的锯齿波,由行、场偏转线圈产生的磁场,控制CRT电子束进行与信号源同步同速度的行扫描与场(帧)扫描。而R、G、B信号则通过电子枪阴极,电子束的电流,改变荧光粉的发光辉度(像素),实现图像的再现。
对于而言,从对其结构和原理的讨论可知,它没有电子束和电子束扫描问题,因此它无需CRT彩电中的行、场扫描电路。但是,以行、场扫描相配合按时间顺序传送的视频信号没有变,因此,在液晶彩电中对视频信号数字化处理过程也不可能改变。如何使同样图像信号在液晶显示屏中再现呢?
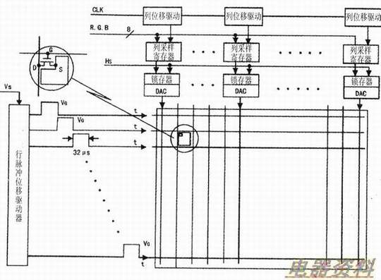
(1)行脉冲移位(扫描)
假如有一液晶显示屏,其彩色像素有576行,每行有768个组成768×576p,即4:3式的显示屏。用它显示的视频信号格式是:768×576p/50/32150Hz。每秒有50帧,即每帧画面的切换(刷新)时间是20ms。因为行频是31.25kHz,每行像素的切换时间是32μs(行、帧的逆程时间包含在内)。
因为视频信号是逐行扫描的,而的每一行(X电极)是将768×3(基色)=2304个TFT的栅极连在一起的。某一行若外加Vg,则该行2304个TFT都处于导通状态;若不加电压,该行2304个TFT都处于截止(关断)状态。因此,如图12所示(见下期)是液晶显示屏的“行扫描”采用矩形脉冲逐行移位方式进行。而脉冲宽度是一个扫描行的时间,也是一行中2304个单色像素信号写入时间(按本例而言是32μs)。像素信息的保持时间是帧周期(按本例是20ms)。这是因为TFT截止后本身的漏电以及像素极板之间的液晶漏电很小,很大。
(2)列数字信号(视频)位移和D/A变换
我们知道,液晶显示屏中列线数量就是每一行像素的数量。然而每一列像素中TFT的漏极都连在同一条列(Y)线上。由此可见,屏幕上每个像素的寻址可通过行(x)线和列(Y)线的“坐标”确定。既然行(x)线靠外加矩形脉冲的逐行位移将一行一行的像素逐行同时接通,那就要求每一行TFT接通之前,该行所有列(Y)线上的信号电压(模拟量)必须到位,然后与行位移脉冲同步地同时加到所有的列(Y)线上,并保持一个行周期时间,待行位移到下一行时,所有列线上信号电压也同时刷新。
因此,关于列(Y)线驱动电路如下图所示。其中只以8bit并行传输R、G、B串引的三基色数字信号,以三倍于彩色像素为列位移的时钟频率CLK。使CLK第一个周期开始,每个时钟周期的前沿,使列位移驱动电路依次输出允许从8bit数据总线上下载数据至列寄存器的使能信号。因为时钟信号CLK与出现在数据总线上的R、G、B数字信号同步,因此每次经过2304个时钟周期之后,由行同步信号HS向2304个数字信号锁存器发出允许接受列寄存器的信号的使能信号,锁存保持至下一行2304个数据位移到位为止。锁存器中的数据同时经过D/A变换,以模拟电压施加在列线上,致使被引线TFT接通的像素显现该行的图像。
因为一行有768个彩色像素,一个扫描行的时间为32μs,因此像素(采样)频率是24MHz。列位移时8bit数据总线上R、G、B上三基色串行,所以列位时钟信号频率为72MHz。因为三基色信号都采用8bit量化,因此所显示的画面其图像对比深度(分辨力)为256级。由该三基色混合的彩色可达256的3次方=-16.8×10的6次方种,其实人类的眼睛对彩色的分辨力远远低于对黑白图像的分辨力,所以16.8万种彩色只有理论上的象征意义,没有使用价值。
(3)与ORT比较LCD彩电的特点
(1)每个像素的TFT只起开关作用,是性的低压驱动,因此显示屏的功耗小,只有10-5~10-6W/cm2。
低压微功耗易于同大规模相配合,便于彩电的超薄和平面化。
(2)液晶本身不发光,依靠偏振光和液晶透光性对背光源的调制,形成不同的对比度达到显示图像的目的。因此背光源要求高亮度、高效率和整个平面亮度的一致性。
(3)液晶显示器无电子束,因此无电子束聚焦问题,无“X”射线辐射,不受地磁和杂散磁场的影响,不会出现色斑和色纯问题,屏幕上无静电。
(4)液晶彩电中无需大功率的行扫描、场扫描电路。没有扫描非线性问题,因此图像线性好,没有几何。
(5)只要数字信号的列位移速度满足要求,时钟CLK频率不受限制,同一个液晶屏可以显示多种扫描格式的视频信号,无需扫描格式变换,无需“行频归一化”。减轻了数字信号处理的工作量。
(6)液晶本身由于驱动电压低、电流小、TFT属于低压开关固体器件,几乎不会劣化,因此比CRT彩电寿命长,可达60000h以上。
(7)其缺点是:视角小,响应速度慢。不适合于高寒和高热地区使用,虽然已经开发出一系列新工艺,可以大大改善上述问题,但成本将相应提高。
