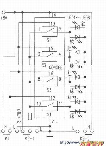
CD4066是四双向模拟开关,采用14脚双列直插式封装.每片封装有4个独立的模拟开关每个模拟开关有输入、输出、控制(选通)三个端子,其中输入端和输出端可互换,具有双向通断的功能。当控制(选通)端加高时,开关导通;当控制端加低电平时开关截止。模拟开关导通肘,导通一般在几十欧姆左右,断开时高达lOOMΩ以上.可看成开路。关断与导通电阻之比ROFF/RON>105.是较理想的开关器件。模拟开关在电子设备中主要起接通或断开信号的作用,可传输数字和模拟信号。由于模拟开关具有工作范围宽(4000系列一般为+3V~+18V)、微功耗(低于IμW)、速度快(传输信号高达几十兆赫)、抗干扰能力强、无机械触点、体积小、寿命长以及各开关间的串扰很小,因而,在自动控制系统和计算机中得到了广泛的应用。其引脚功能见下图。

业余条件下,CD4066四双向模拟开关的测试主要是对每个开关的控制功能及双向导通功能的测试.测试线路见下图。

在图2中Kl是控制端高低电平选择开关,为单刀双掷开关,用于改变模拟开关的选通状态。当开关拨向H接通高电平时,四个开关的控制端为高电平,各开关应导通;当开关拨向L低电平时,四个开关应关断。K2是双向导通选择开关,为双刀双掷开关。拨动开关K2.可控制开关信号双向流动的方向,有两组红绿点亮来指示。
当开关K2-1拨向H高电平时,则K2-2接通L低电平。如此时Kl开关拨向高电平状态,则各开关处于正向(反向)导通状态,于是正极经降压电阻R限流,加在正向接通的并联发光2、LED4、LED6、LED8上,四个绿色发光二极管点亮。
当开关K2-1拨向L低电平时,则K2-2接通H高电平。如Kl开关拨向高电平状态.则各开关处于反向(正向)导通状态,于是正极加在并联的发光二极管LFD1、LED3、IED5、LED7正极和降压电阻R上,于是四个红色发光二极管点亮。
当Kl开关拨向L低电平时,各模拟开关处于截止状态,无论K2双向选择开关拨向H或L状态.两组红、绿发光二极管都不会点亮。
因此,合格的模拟开关元件在测试时,通断开关K1.则其中一组发光二极管会交替点亮和熄灭;按下双向选择开关K2.通断开关Kl.则另一组发光二极管会交替点亮和熄灭。
在上述测试中,通断开关Kl时,如发现某几只或全部模拟开关不能控制两组发光二极管的亮灭,则可初步断定某几只或全部模拟开关的选通功能失效,不能使用。将K1拨向选通状态,按动双向选择开关K2,如发现某几只或全部开关不能选择两组发光二极光的轮换通断,则初步可断定某几只或全部模拟开关的双向导通功能失效。此时可记下单向导通时K2开关的状态(正向或反向).该开关仍可变通使用。因在某些中(如单向的直流电路)并不需要双向的通断功能。
为方便测试时元件的更换,可将14脚双列直插管座焊在线路板上。附两张实际制作和测试时的状况图,如下图所示。
