实际中的外,常常出现难以直观地判断串并联关系的复杂情况,如图1(a)所示,这类问题的分析需要先求取该电路的等效来化繁为简,等效的求解技术性较难,要求有更深的理论支持,在职业教育中不宜采用。如果结构中不包含△-Y连接,推荐一种实用的方法—-独立支路法定义:把不重复经过同一而能使从正极流回负极的支路称为独立支路。
作独立支路的方法是:在不剩余无阻导线的前提下让支路包含尽可能多的电阻,从而使独立支路的数量最少。无法包含在独立支路中的剩余电阻,由其两端在电路中的位置决定它在新电路中的连接关系。
把上述方法归纳为以下两条原则:
原则一:第一条独立支路在不重复经过同一电阻的条件下,应该包括尽量多的电阻。.原则二:涉及三个电阻以上的无阻导线应优先画在第一条独立支路中。
下面举例说明这种方法的使用。
【例1】如图1(a)所示,已知Ri=6Ω.R2=R3=1OΩ.R4=4Ω,R5=40Ω,R6=15Ω,R7=12Ω.求a、b端口处的等效电阻。
使用“独立支路法”解答本题时.具体做法是:由a,b两端引入假想电流I,图1(a)中I由a点流人,第一条独立支路在c点时,遵循“原则二”三条可能路径只能选择流向d点,遵循“原则一”.经过d点后必须通过R,和R4由b点流出,从而构成图1(b)中的R.、Rs和R4三者串联的第一支路。第二条独立支路如图1(a)中的虚线所示,即图1(b)中R7和R6的串联支路。
两条支路包括了5个电阻,还有R3、R2无法形成独立支路,只能根据它们在电路中的连接关系将它们画在新的电路图中。
注意:本题还有一个容易忽略的问题,即两条独立支路之间的关系连线,由于c、d两点之间无阻导线的存在,在图1(b)中应注意补画一条短线,以准确地完成等效电路。
解:本题以a点为起点'b为终点,逐次整理出等效电路图,如图1(c)所示。

R5与R3并联再与R4串联,其等

R2与R6并联再与R5.3.4并联后的等效电阻R2.6(5.3.4)=4(Ω);则a、b端口处的等效电阻为这两个电阻之和,即Rah=R1.7+R2.6(5.3.4)=4+4=8(Ω)。
[例2]如图2(a)所示,已知Ri=20Ω.R2=12Ω,R3=1OΩ,.R4=5Ω,R,=8Ω.R6-14Ω.求a、b端口处的等效电阻。
解:由独立支路法可知,将原电路分成两条独立支路:一条是由aecdf到b.另一条是由acf到,R4由其两端在电路中的位置决定,等效电路如图2中的(b)、(c)所示。
Rab,=[(R3+R1//R4) //R6]+(R5//R2)=ll.8(Ω)
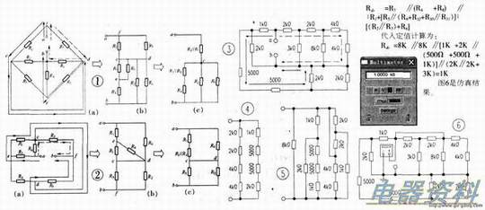
[例3]把图8电路应用“独立支路法”分析如下:
如图3所示(为提高兴趣、方便验证,给各个电阻赋了定值)。求B、b端口处的等效电阻。
在图3中引入两条“独立支路”(如图3中实、虚线所示),得到图4所示部分简化电路。然后在图4中舔加上一条短线和四个剩余电阻(原图中的R5、R6、R7及Rll),即得到圈5等效电路。注意,在圃虚线所示独立支路时.没有采用上述的原则二,原因是这条”无阻导线”所涉及的电阻只有两只.不需要先行解决。
根据图5.可以很方便地得到原文的结果,即:
