当用运放不能满足要求时,可以在后面增加一个晶体三极管对输出进行放大。上图是输出+5v、50mA的。电路由运算放大器和NPN晶体三极管组成,并在电路中引入了负反馈。
考虑到输出端如出现瞬间短路,在的集电极发射极之间会流过巨大的电流,管子会立即被烧毁。所以在集电极电路中串接限流Re。Re的功率必须较大,在上图中Re流过50mA电流.Re功率必须在0.25W以上。
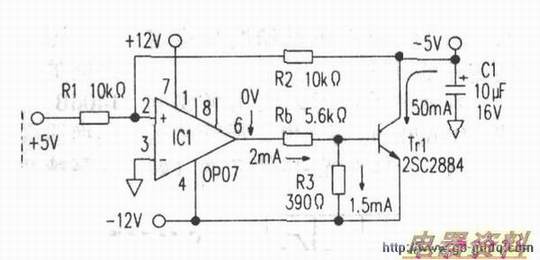
也可以采用中图所示的集电极输出电路,即使输出端瞬间短路也不会将晶体管烧坏。
Trl的基极是恒定的约为+11.4V.所以流过-R3上的电流Ir3为1.5mA。若Trl的hFE-100,那么从Trl基极流出的电流IB-50mA/100=0.5mA。流人运放的电流是IR3和IB之和为2mA。RB上的电压降约为0.4V。所以运放的输出电压(A点的电压)必须为+11V。也就是说,如果运放不能输出+11V的电压,负反馈环路就不能正常工作,也就不能输出+5v电压。
但是对于通用运放来说,最大输出电压总是比电压低1V以上,要想输出+11V的电压,电压就必须在+12V以上。
解决此问题的办法是加大Ra的数值,降低A点的电位,让运放能正常工作。由于中图中运放的电源电压为正负12V.所以在设计电路时按运放的输出电压以ov为中心摆动进行设计。将RB取为5.6kΩ,当RB上流过2mA的电流时,其上的电压降为11.2V,运放的工作点就几乎为ov。
中图是输入+2.5V得到+5v、50mA输出的电路。
下图是输入+5v获得一5v、50m(输出的电路。


