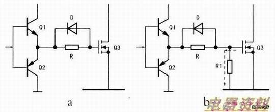
MOS管在开关状态工作时,Q1、Q2是轮流导通,MOS管栅极在反复充、放电状态,如果在此时关闭,MOS管的栅极就有两种状态:一种是放电状态,栅极等效没有电荷存储;另一个是充电状态,栅极等效正好处于电荷充满状态,如下图a所示。虽然切断,此时Q1、Q2也都处于断开状态,电荷没有释放的回路,但MOS管栅极的电场仍然存在(能保持很长时间),建立导电沟道的条件并没有消失。这样在再次开机瞬间,由于激励信号还没有建立,而开机瞬间MOS管的漏极电源(V1)随机提供,在导电沟道的作用下,MOS管立刻产生不受控的巨大漏极Id,引起MOS管烧坏。为了避免此现象产生,在MOS管的栅极对源极并接一只泄放R1,如下图b所示,关机后栅极存储的电荷通过R1迅速释放,此的阻值不可太大,以保证电荷的迅速释放,一般在五千欧至数十千欧左右。
灌流主要是针对MOS管在作为开关营运用时其容性的输入特性,引起“开”、“关”动作滞后而设置的电路,当MOS管作为其他用途,例如线性放大等应用时,就没有必要设置灌流电路。
