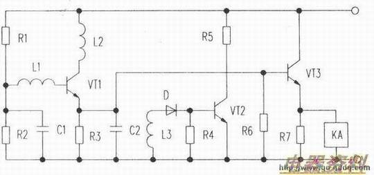
它是属于一种有开关量输出的位置。由LC高频振荡和信号整形放大电路组成。利用金属物体接近这个能产生磁场的振荡感应头时,使金属物体内部产生涡流,涡流反作用于接近开关,使接近开关振荡能力衰减,内部电路和参数发生改变,由此识别出有无金属物体接近,从而进行控制开关的通断,这种接近开关所检测的必须是金属物体。接近开关的方框原理图和电路原理图见上图、中图所示。
式接近开关形式多种多样。一种NPN型常开式。
另一种是型常开式。同样这两种都有常闭式。再就是NPN型常开常闭组合型。PNP型常开常闭组合型。还有两线型直流交流常开常闭型。接线图见下图a~下图c的几种。
内部电路见右图所示。
当有金属物体靠近接近开关时。接近开关给内部电路整形放大输出信号。驱动-30A内部触发电路,使固态导通,接通电动机的,使电动机运转。当金属物体离开接近开关感应头时。接近开关无信号输出,固态继电器触发电路失电。执行电路失电断开,电动机停转。

