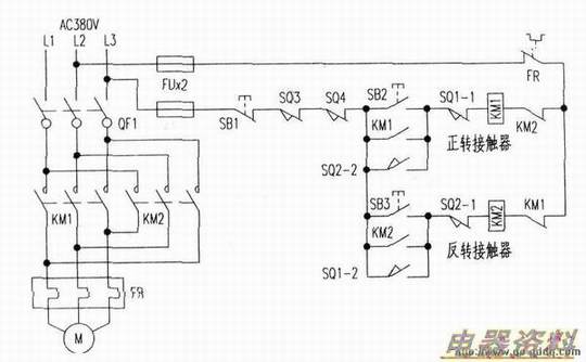
下图是自动往返循环控制其电路工作原理:当按下反转启动按钮SB3后反转接触器KM2得电吸合,电机运转。此时通过机械传动装置拖动工作台向右移动。当移到挡铁碰触到SQ2(固定在床身上)时,串联在KM2线圈的SQ2-1常闭点断开,反转接触器KM2线圈断电释放。与此同时,行程开关SQ2—2常开点闭合。因其与正转按钮SB2并联,接通了正转线圈KM1电路,使之得电吸合,电动机转为正转,工作台转换为向左移动。当工作台向左移动碰触挡铁时,又转换为向右移动。如此往返。
下图是自动往返循环控制其电路工作原理:当按下反转启动按钮SB3后反转接触器KM2得电吸合,电机运转。此时通过机械传动装置拖动工作台向右移动。当移到挡铁碰触到SQ2(固定在床身上)时,串联在KM2线圈的SQ2-1常闭点断开,反转接触器KM2线圈断电释放。与此同时,行程开关SQ2—2常开点闭合。因其与正转按钮SB2并联,接通了正转线圈KM1电路,使之得电吸合,电动机转为正转,工作台转换为向左移动。当工作台向左移动碰触挡铁时,又转换为向右移动。如此往返。