在我们电台的日常工作中,往往会遇到这种情况,当值班人员呼叫机务人员时,直接拨打各房间电话有时无人接,对及时排除机器故障十分不利,会对安全播出造成影响。于是我们利用电话设计安装了高音呼叫装置。当机房内有紧急任务时,值班员立即拨通此相关电话,利用高音扬声器发出信号命令,使在宿合区的机务人员听到命令后迅速赶到机房,及时排除机器故障及抢险意外事故。此装置也可用于农村扩音设备,不论呼叫者身在何处,只要打通相连接的电话,就可下通知喊话。
一.呼叫装置的组成
本电路是由普通电话机线路板、低频电路、拨号自动摘机电路、定时自动关机电路和高音扬声器几部分组成,电路方框图如图1所示。将以上电路(除音箱)安装固定在一个小盒内。本电路对元器件的要求不是很严格,使用方便可靠、效果不错。
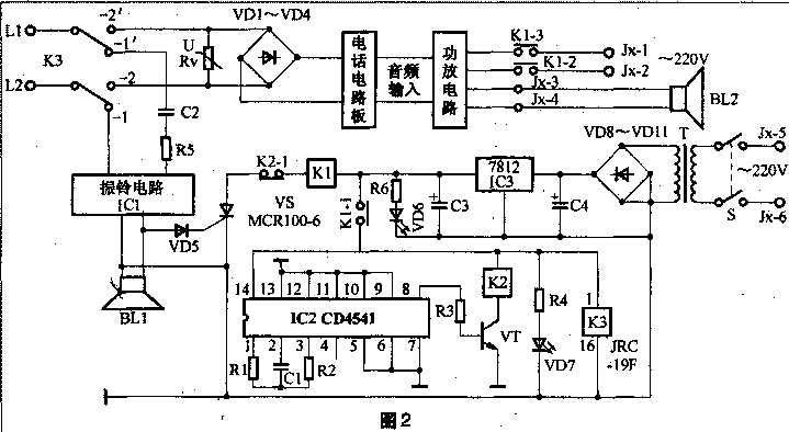
二.电路说明(电路图如圈2所示)
L1、L2接一路内部电话线,JX为小盒与外部接线端子板Jx-1、Jx-2接入交流220V市电,为功放器提供,Jx-3、Jx-4是低频功放输出端,外接高音扬声器BL2,Jx-5、Jx-6接交流,S为电源开关,T为12V小功率电源。VD8~VD11为桥式(可选用1N4004),C3、C4为电源,可选用25V/470μF,3为12V三端稳压器7812,R6阻值为1.2kΩ,VD6为用作电源指示灯。K1、K2为中型直流电磁,型号可选TX-3C(+12V线包),K3是小型直流继电器,型号为JRC-19F。将电话机的舌簧开关拆掉,将JRC-19F装上焊好即可,大小正合适,要分清常闭接点、常开接点,以防接错位置。IC2为定时CD4541,用作延时电路,CD4541的各脚功能是:1、2、3脚为内部,R1、C1、R2为IC定时电路外接元器件。R1先接1MΩ电位器,根据定时时间最后确定阻值,然后用固
定阻值的代替,C1为0.1μF,R2为2.2MΩ。4、11脚为空脚,5脚接地为开机自动复位端,6脚为手动复位端(高有效、),7脚为接地端,8脚为输出端,R3为降压(视情况确定阻值),9脚为输出初始状态设置端,接低电平时输出初始状态为低电平,10脚为方式选择端,接地时为单定时工作方式,12、13脚为定时时间编程端,可根据定时时间的长短选择相应的编程要求,12、13脚都接地,延时范围在19s~1884s之间可调。延时时间可以调整R1,根据一般呼叫时间长短而定,一般在3分钟即可。14脚为集成电路正电源端。VT为驱动三极管,型号为2SC1815。BL2是高音扬声器,其功率应与功放输出相匹配。功放电路可以找一个废旧的功放器,只要输入与电话机的音频输入匹配即可,VD5与VS是振铃触发电路,振铃触发导通,使K1吸合。K2-1是K2的一组常闭接点,呼叫时K2不吸合,K1吸合,K1-1是K1的一组常开接点,用于接通延时电路电源。延时到后K2瞬间吸合。
K1-2、K1-3是两组常开接点,用于接通功放电路电源,呼叫时吸合,延时到后释放,K2吸合,K1释放,K2、K3也释放,K3的常闭接点接于1、1位置,常开接点接于2、2位置,K3吸合自动摘机,K3释放时自动扣机。
其他元器件如Rv、VD1~VD4、R5、C2、IC1、BL1等均为原话机上元器件,BL1振铃扬声器可以不用。