● 品书香 > 电子设备技术 > 电器电路基础 >

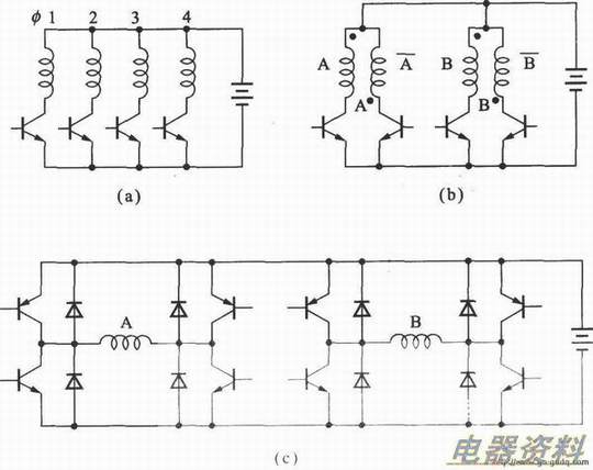
步进电动机的驱动电路及其画法


步进电动机的驱动电路及其画法  

  • 上一篇:逆变器与三相电动机的连接法
  • 下一篇:单相电动机的接线 - 电容运转式电动机
热点内容
    ·“隐埋齐纳”和“带隙”基
    ·程序员iOS开发技巧汇总
    ·Ku波段双本振高频头
    ·高频扬声器
    ·在Oracle数据建立索引及如
    ·如何避免SQL Server中的DB
    ·什么是分配器和分支器
    ·RGB HD
    ·显示卡是什么
    ·流量传感器在调试期可能出