突跳型热中的双金属片采用弯曲率比较高的薄型材料。当温度升高到某一阈值时,由于热膨胀力和反弹应力叠加克服材料的形变力,就发生突跳。图2是KLIXON(美国德州仪器公司品牌)产的9700K直热式突跳型热继电器示意图。其中1-铁质外壳;2-极靴带引出极;3-双金属片;4-电极;5-绝缘基座;6-触头;7-引出线;8-灌封胶。该继电器控温点在125℃±5℃,最大实测为12A。图3是一种旁热式突跳型热继电器示意图。其中l-引出线:
2-灌封胶;3-外壳;4-基座;5-触头:6-弹簧片;7-双金属片;8-底座;9-电极。代表型号为JW6A,最大工作电流为10A.控温点为85℃±5℃。
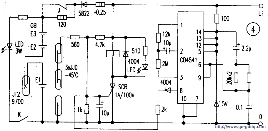
图4为应用实例:兼容性I.ED矿灯,该采用三节D型6Ah镍镉电池。为了防止电池短路。嵌人9700K突跳型热继电器;为了防止充电时损坏电池。在每节电池上均贴装有缓动型热继电器JJD-45℃;另外装有可编程时间控制器CD4541,使其定时在2.5h作为极限快充保护。
本电路电源可以在传统的铅酸电池矿灯充电架上充电。做到镍镉电池的矿灯与普通白炽灯矿灯兼用于同一充电架。

