自激振荡的判别条件


  在电子线路中。判断能否产生自激振荡一直以来都是一个令学生感到困惑的问题,同学们对一个电路进行分析时往往感到元从下手。笔者根搁多年的教学经验,总结出一个比较简单的判别方法。具体内容如下:

  通常,我们判别电路能否产生自激振荡可以从两个方面入手;一个是平衡条件,另一个是平衡条件,这两个条件中有任何一个不满足。电路就不能产生自激报荡。

  一般条件下,我们在分析电路时。  

  两个判别条件中首先看振幅平衡条件。

  它是指放大器的反馈信号必须有一定的幅度。这个条件中包含两层意思。一是必须有反馈信号,二是反馈信号必须有一定的幅度口这样我们在分析电路是否满足振幅条件时就可以从两个方面考虑:(1)是否存在反馈信号l(2)三极管能否起到正常的放大作用。下面通过举例来说明:

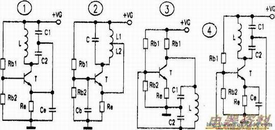
  在图l所示电路中,考虑交流通路时。反馈信号被发射极Ce短路。反馈信号消失,不满足振幅条件。不能产生自激振荡。在图2、图3所示电路中。考虑直流通路。线圈视为导线。在图2中线圈将集电极、发射极短路,图3中线圈将集电极、基极短路,所以这两个电路中三极管均不能正常了作,从而不满足振幅条件,电路也不能产生自激振荡。

  如果通过分析,知道电路满足振幅条件。那么第二步我们再来看相位平衡条件。它是指放大器的反馈信号与输人信号必须位。换句话说,就是电路中的反馈回路必须是正反馈。关于正负反馈的判别我们可以用“瞬时极性法”来进行。这里我们也通过一个电路来说明。

  在图4中,先假设输入信号对地瞬时极性为正。然后根据该瞬间的集电极、基极、发射极相对应的信号极性可看出,反馈到基极的信号极性为负,它起着削弱输入信号的作用,可知是仍反馈。则不满足相位条件。所以电路不能产生自激振荡。

  由上可知,一个能够产生自激振荡的电路。必然是既有正反馈又能正常放大的电路。也就是说,这个电路必须同时满足振幅条件和相位条件才能产生自激振荡,两个条件缺一不可。