的背光灯(FL)需很高的交流才能够点亮,但是或外置提供的电压最高也不过十几伏,因此就需要一个电压变换电路来把电源电压转换成适合CCFL正常工作所需要的电压,这个电路就是高压逆变电路(即Inverter)。目前高压逆变电路应用最多的芯片有TLl451、OZ960等,其组成方框图如图1所示。
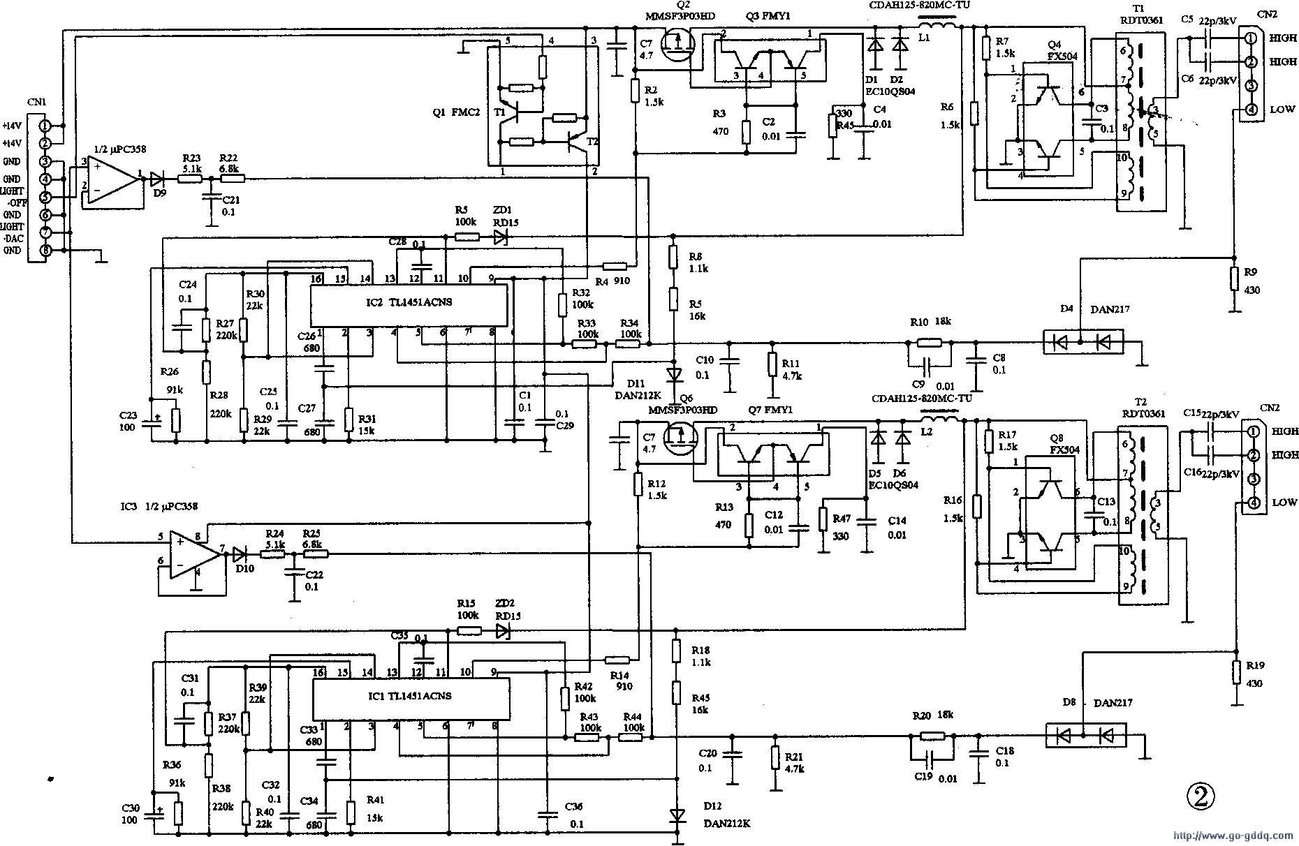
从图1可知液晶显示器的高压逆变电路和TWO WAY架构的高压电路差不多,所不同的是高压电路多了亮度调节的控制接口,输出电压比较低(最高不过2kV),采用的多是贴片元件,体积非常小,最终输出的是高频正弦交流电,而非CRT显示器高压电路所需要的直流电。本电路故障率高居液晶显示器故障之首,本期通过对一款采用TL1451为控制芯片的四灯高压板电路的剖析来介绍高压逆变电路的维修方法。图2是松下LC40液晶显示器高压板电路图。

TLl451芯片在电路、LCD显示器高压逆变电路都有广泛的应用,该芯片由基准电源、对称三角波、误差放大器、定时器和比较器等部分组成。利用它可以组成各种开关电源和控制系统,不仅能使开关电源和控制系统简化,容易维修,降低成本,而且更重要的是能降低系统的故障率,提高系统设备运行的可靠性。它适应电源电压范围宽,可以在3.6~40V的单电源下工作,具有短路和低电压误动作保护电路。为了便于读者理解其工作原理,给出内部结构图如图3所示。
