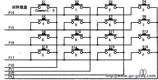
1、4×4矩阵键盘的工作原理
矩阵键盘又称为行列式键盘,它是用4条I/O线作为行线,4条I/O线作为列线组成的键盘。在行线和列线的每一个交叉点上,设置一个按键。这样键盘中按键的个数是4×4个。这种行列式键盘结构能够有效地提高系统中I/O口的利用率。
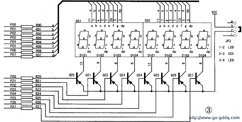
图1为ME300B矩阵键盘电路图,行线接P1.4-P1.7,列线接P1.0-P1.3。2、数码管动态扫描显示电路在ME300B开发系统中,采用了8位数码管动态扫描显示。它将所有数码管的8个段线相应地并接在一起,并接到AT89S51的P0口,由P0口控制字段输出。而各位数码管的共阳极由AT89S51的P2口控制Q20-Q27来实现8位数码管的位输出控制。
这样,对于一组数码管动态扫描显示需要由两组信号来控制:一组是字段输出口输出的字形代码,用来控制显示的字形。称为段码;另一组是位输出口输出的控制信号,用来选择第几位数码管工作,称为位码。

由于各位数码管的段线并联。段码的输出对各位数码管来说都是相同的。因此,同一时刻如果各位数码管的位选线都处于选通状态的话,8位数码管将显示相同的字符。若要各位数码管能够显示出与本位相应的字符,就必须采用扫描显示方式。即在某一时刻,只让某一位的位选线处于导通状态,而其它各位的位选线处于关闭状态。同时,段线上输出相应位要显示字符的字型码。这样同一时刻,只有选通的那一位显示出字符,而其它各位则是熄灭的:如此循环下去,就可以使各位数码管显示出将要显示的字符。
虽然这些字符是在不同时刻出现的,而且同一时刻,只有一位显示,其它各位熄灭,但由于数码管具有余辉特性和人眼有视觉暂留现象,只要每位数码管显示间隔足够短,给人眼的视觉印象就会是连续稳定地显示。

数码管不同位显示的时间间隔可以通过调整延时程序的延时长短来完成。数码管显示的时间间隔也能够确定数码管显示时的亮度,若显示的时间间隔长,显示时数码管的亮度将亮些,若显示的时间间隔短,显示时数码管的亮度将暗些。若显示的时间间隔过长的话,数码管显示时将产生闪烁现象。所以,在调整显示的时间间隔时,即要考虑到显示时数码管的亮度,又要数码管显示时不产生闪烁现象。
在ME300B单片机开发系统中使用数码管来显示信息时,要将JP2的2、3端短接。见图3。