1、 常用的镇流方法
(1) 镇流
工作原理如图1所示。镇流的工作效率低,要确保电阻镇流正常工作,应使供电不低于2倍的灯工作电压。实用中应用不多。
(2) 镇流
镇流只有在很高的供电下才能很好地工作,如果交流供电频率太低,则会在交流供电的每半个供电内产生很大的峰值,具有镇流工作效率高的优点。电容镇流器工作原理如图2所示。

(3) 镇流
镇流是一种得到广泛应用的镇流方法,但它的损耗比电容镇流要大,但是灯电流在50交流供电频率下的较电容镇流要小得多,使用时需配用启动器。电感镇流器工作原理如图3所示。
电感镇流几乎可以应用于所有的气体放电灯应用场合。电感镇流具有以下特点:
① 相对电阻镇流损耗低。
② 电路简单。
但是也有以下的缺点:
① 由于电路中有一个电感,所以灯电压、灯电流之间有一个,从而造成电路的较低(一般在0.5左右)。
② 灯的启动点火电流较大,一般是灯额定工作电流的1.5倍。
③ 灯工作电流对供电电压的变化较敏感,故镇流效果不太稳定。
④ 电感镇流器的体积和质量较大。

(4) 电容、电感镇流
电容、电感镇流电路工作原理如图4所示。在电容、电感镇流电路中,要求电容的要比电感的要大,这种镇流电路和电感镇流电路时的工作情况不同,这时灯的工作电压(电流)超前电源电压一定的,所以又被称为超前型镇流电路。
电容、电感镇流电路有较好的稳定特性,但是重复点火能力较差。这是为何当灯的电流过零时,电源电压的峰值和灯电压的方向正好相反的原因。
(5) 高频交流电子镇流器
在以上4种镇流方法中,目前电感镇流式电子镇流器得到了广泛的应用。但是采用高频交流电子镇流器可以提高灯管的发光效率,没有电感镇流器特有的50Hz工频,减小了镇流器的体积和质量。高频交流电子镇流器和普通电感镇流器在使用时可以互换,易于实现智能控制(如DALI),在工厂、办公楼、家庭等应用场合,高频交流电子镇流器有很大的市场。
一个性能优良的高频交流电子镇流器电路的工作原理框图如图5所示。

从电子镇流器的噪声角度而言,电子镇流器的工作频率应大于20kHz,但是从降低镇流电感磁芯的高频损耗的角度而言,电子镇流器的工作频率又不能选得太高,一般不应大于100kHz,并且这个工作频率的大小还和具体的灯管型号有关,同时还应考虑到电子镇流器在高频工作时产生的高频干扰信号对工作于红外工作频段的家用电器等的影响。例如对工作于RC5系统的红外遥控电路它工作于36kHz,所以电子镇流器的工作频率不应工作在18kHz或36kHz,现在30~40kHz这个已基本被红外遥控系统使用,所以在设计电子镇流器时,不应选择这个工作频率范围。
2、 电子镇流器的分类
(1) 根据电子镇流器的供电方式分类
按电子镇流器的供电方式划分,电子镇流器可以分为直流供电的电子镇流器和交流供电的电子镇流器两大类:
① 直流供电的电子镇流器。直流供电的电子镇流器常用于以下的应用场合。
·应急系统,例如交流供电骤然断电时,利用供电的照明,工作原理框图分别如图6(a)~(e)所示。

·公共交通工具,例如汽车、轮船和飞机等应用场合。
·小型家电,例如等。
·一般直流供电电压为12V、24V、72V和110V或更高等应用场合。
② 交流供电的电子镇流器。交流供电的电子镇流器直接采用交流市电供电,和直流供电的电子镇流器相比多了一个交流市电输入,并且电子镇流器的DC/AC变换电路的直流供电电压为300V左右,而电子镇流器的直流供电电压根据需要选择的范围较宽。
(2) 根据电子镇流器的应用分类:
根据电子镇流器的应用,可以分为以下几类:
① 单灯、双灯或4灯应用的电子镇流器。电子镇流器的双灯应用电路工作原理框如图7所示。

② 独立式电子镇流器或和灯结合为一体的电子镇流器(CFL)。
③ 预热启动或冷启动工作方式的电子镇流器。
④ 具有有源功率因数校正(补偿)功能的双级/单级变换电子镇流器。
⑤ 采用无源功率因数校正(补偿)的电子镇流器。
⑥ 电子镇流器按其是否可以调光又可分为可调光电子镇流器和非可调光电子镇流器两大类。
一些常见的电子镇流器和控制器产品如图8~图13所示。



3、 电子镇流器的基本电路
从工作原理而言,电子镇流器是一个电源变换电路,它将交流输入市电电源的波形、频率和幅度等参数进行变换,为灯提供供电电源,并且要求这个灯负载供电电源电路应能满足灯负载对灯丝预热、点火、正常工作和在灯负载电路有故障状态的保护功能要求。常用的电子镇流器直流/交流变换电路(DC/AC)如图14所示。

4、 电子镇流器的工作原理与发展
电子镇流器的典型技术指标有:功率因数、总(THD)、波峰因数(CF)、灯管的灯丝预热(如灯丝预热时间、灯管预热电压)、灯管开路电压、灯管点火电压、灯管工作电压等参数。
20世纪80年代后期,我国研制和生产电子镇流器的单位日益增多,为改变许多生产单位无标准生产的混乱局面,提高电子镇流器产品的质量,当时的轻工业部于
ZBK74011和ZBK74012这两项标准虽然是参照IEC928和IEC929标准制定的,但是考虑到我国电子镇流器的实际水平,对一些条款作了一定的保留。为了确保电子镇流器的生产技术水平和产品质量,国家技术监督局在1994年7月发布了GB15143-94(管形荧光灯用交流电子镇流器一般要求和安全要求)及GB/T15044-11(管形荧光灯用交流电子镇流器性能要求)两项国家标准,这两项国家标准分别等同采用IEC928(1990)和等效采用IEC929(1990),其中前者为强制性标准,后者为推荐标准,均于
(1) 电子镇流器的典型应用电路与工作原理
电子镇流器的典型应用电路如图15所示。
图15所示电路的工作原理如下:功率开关VT1和VT2为半桥功率变换级的两只开关管,电容C3和C4组成无源支路,灯负载接在无源支路的中点和半桥开关组成的有源支路的中点之间,灯负载电流由C3、C4提供,电阻R1、电容C2和VD2组成半桥自激振荡电路的启动电路。

当电路加电后,流经电阻R1的电流对电容C2充电,当电容C2两端的电压达到双向触发VD2的触发电压(大约为35V左右)时,VD2雪崩,这时电容C2通过开关管VT2的基极
发射极放电,VT2因发射结正偏而导通,在VT2导通期间,电流路径为:+VDC
C3
灯管灯丝FL
C
灯丝FL2
镇流电感L1
T1初级线圈T
VT2的集电极
VT2的发射极
地,开关管VT2集电极电流的瞬时变化为
,通过振荡线圈T
启动电路R1、C2和VD2为电路的起振提供起振工作条件,一旦电路振荡起来后,电路维持振荡是通过振荡线圈T
VT1的发射极
T
L1
灯丝FL
C
灯丝FL
C
地。当VT1饱和导通后,导致振荡正反馈T1又进入磁饱和状态,同样由于T1的正反馈又重新使VT2饱和,VT1截止,如此周而复始,VT1和VT2交替饱和、截止,使电路进入振荡工作状态,通过L1和C2组成的谐振电路发生串联谐振,在谐振电容C2的两端产生一个高电压脉冲加到灯管两端,使灯管启动进入工作状态。
由于电路工作于高频振荡工作状态,所以镇流电感L1的值可以取得很小,例如对40W的荧光灯如果采用电感镇流则需要大约800mH的电感量的镇流电感,体积和质量都较大,而对高频振荡的电子镇流电路,同样对40W的荧光灯电子镇流器中的镇流电感L1的电感量仅需2mH,所以体积和质量都要小很多。

图16(a)和(b)分别表示VT1导通、VT2截止和VT1截止、VT2导通时的灯电流流向图,RL表示荧光灯工作时的等效电阻。由图16可知,在VT1导通、VT2截止和VT1截止、VT2导通两种天关工作状态下,通过灯负载的电流方向是相反的,开关管VT1和VT2轮流导通、截止,使通过荧光灯管的电流为高频交流电。
在LC电路谐振时的谐振频率可利用下式计算:
(1)
式中,L为镇流电感的电感值,单位为享[利](H);C为电容C2的值,单位为法[拉](F);f谐振为谐振频率,单位为Hz。
对图15所示的电路,由于L1》LT
如果在LC串联电路中的等效直流电阻为R,则灯电路的总阻抗Z可利用下式有示:
(2)
当灯电路发生谐振时,ZL1=ZC2,有Z=R,这时灯电路的工作电流最大,为
。而谐振电路的Q值(品质因数)可利用下式计算:
=
(3)
由于R《2πfL1(或
),所以灯负载谐振电路的Q》1。
将
代入Q的表达式后,有
(4)
这时由于
,在灯负载并联的谐振电容C2上产生的电压为

由以上的讨论可知,在灯电路发生谐振时,在谐振电感或谐振电容上的电压要比电源电压Vin高Q倍,利用在谐振电容C2上的这个谐振电压足以使灯负载完成点火工作。一旦灯完成点火工作后,灯负载的等效电阻急剧变小,致使谐振电容上的电压下降(Q值下降),转而进入灯负载的正常工作状态。
LC谐振电路的谐振阻抗特性如图17所示,由图17可以看出,在谐振频率f0处,L/R值越大,则谐振电路的Q值越高,灯电路的电流也就越大,反之,L/R值越小,则灯电路的电流越小。在荧光灯电子镇流器的设计中,应适当选取L和C的数值,使电路的Q值在3左右。

(2) 变异的电压型半桥变换电子镇流器电路
图18表示一种变异的电压型半桥结构的电子镇流器功率级输出电路,和图15所示的典型电压型半桥功率输出电路相比较,这种变异的电压型半桥结构比典型的电压型半桥结构少了一个电容,由于灯负载的启动电容C4通过灯丝FL1和电容C3串联在一起,所以LC谐振回路的谐振频率由下式决定:
(5)

当电路接上供电电源后,由R1、C2和双向触发二极管VD2组成的启动电路为VT2的基极提供一个触发电流,使VT2首先导通,在VT2导通期间,电流的流动方向为+VDC
C3
灯丝FL
C
灯丝FL
L
T
VT2的集电极
VT2的发射极
地,当VT2截止而VT1导通时,电流通路为C4
灯丝FL
C
VT1的发射极
VT1的集电极
T
L1
灯丝FL
C
对这种电路,由于某种原因(如灯漏气)灯负载不能正常启动,或由于启动缓慢以致不能启动,电路将会出现一个很大的电应力,将开关管VT1或VT2损坏(或电路其他元件损坏)。
(3) 全桥式串联谐振功率变换电路
由于全桥式功率变换电路在开关管电流相同的情况下,输出功率要比半桥式变换电路的功率要大,较适合于高强度气体放电灯的应用场合,电路工作原理框图如图19所示。

桥功率变换电路中需要4只功率晶体管,对灯工作电压较高和功率较大的一些电子镇流器电路,采用全桥功率变换电路比较合适。图20是一种80W双管T12荧光灯采用全桥功率变换电子镇流器的电路原理图。

(4) 常用高频交流电子镇流器电路与改进
① 单级半桥谐振式高频交流电子镇流器。由于半桥谐振式逆变电路具有自平衡能力强、工作可靠,对开关管耐压要求较低等一系列优点,所以采用半桥谐振式逆变电路为灯负载供电的功率变换电路得到广泛应用。它主要由:交流市电供电整流、电路;启动电路;串联谐振高频逆变电路;保护电路;灯负载等几部分电路组成。典型单级半桥谐振式高频交流电子镇流器电路原理如图21所示。

这是一个典型的自激振荡、自启动的LC串联谐振半桥逆变的高频交流电子镇流器电路,谐振主要由L、C3、C4完成,利用谐振时C4上的高频电压点亮灯负载,当灯负载电流发生变化时,会影响谐振回路的Q值,从而影响谐振电容C4上的谐振电压,以实现稳定灯负载电流的作用。
由于这种电路采用元件少、造价低,所以目前国内市场上见到的高频交流电子镇流器大多采用类似的这种电路。但这种电路存在以下缺点:
·无灯丝预热功能,易产生灯丝电极溅射作用,而降低灯丝的使用寿命,使用时间一长,造成灯管一端发黑的现象。
·由于采用市电整流后直接给半桥逆变级供电,所以会产生很强的高次谐波电流干扰,降低交流市电输入侧的功率因数,并降低电源供电效率。当采用这种电路的高频交流电子镇流器大量使用时,会造成三相四线供电电网的地电位偏移,而使用电设备损坏。
·由于半桥逆变级工作在高频开关逆变状态,所以产生的高次谐波,会造成相应的电磁辐射干扰,影响其他用电设备的正常工作。
·由于没有设保护电路,所以一旦市电电源供电发生故障(如电网电压过高)或灯管发生破裂等故障时,易造成电路元件损坏,严重时还会发生火灾事故。
② 双级变换谐振式高频交流电子镇流器。针对单级半桥谐振式高频交流电子镇流器电路存在的以上缺陷,人们又开发设计出了双级谐振式高频交流电子镇流器电路。它主要在普通的单级谐振高频交流电子镇流器的基础上,再加了一级有源功率因数校正(APFC)电路,用以进行交流市电输入整流滤波的功率因数校正,并限制高次谐波成分,从而达到减小电磁辐射干扰,提高输入侧功率因数(PF)的目的。并且由于有源功率因数校正(APFC)还有预稳压的作用,同时还可以调光(调节APFC输出电压),所以既可提高电子镇流器的电性能,又可以提高电子镇流器的工作可靠性。
有源功率因数校正按电路构成,可分为降压式、升/降压式、反激式及升压式等几种。而按制市电输入电流的工作原理又可分为平均电流型、滞后电流型、峰值电流型及电压控制型等几种。按功率因数校正电路中电感电流的工作方式又可分为电流连续型(M)和电流不连续型(DCM)等。
由于升压式有源功率因数校正电路具有PF值高、THD小、效率高,但需输出电压高于输入电压,适用于75W~2kW的应用场合,目前应用最为广泛。而由于DCM型APFC电路简单、开关管应力小的优点,所以在电子镇流器中应用广泛。
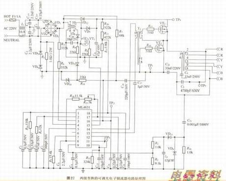
两级式具有APFC功能的可调光高频交流电子镇流器电路原理如图22所示。

由于两级变换的电子镇流器电路增加了一级有源功率因数校正,所以增加了电路的元器件数量,并使电路成本提高许多,因此虽然双级式高频交流电子镇流器性能好,但是由于成本、体积等原因很难在大范围内推广使用。
针对两级式有源功率因数校正电路的缺点,人们又试图探讨采用无源功率因数校正的方法来提高高频交流电子镇流器的性能,如经常提到的有采用3只二极管和两只电容器组成的逐流电路的无源功率因数校正和高频复合能量反馈等方法,这无疑也是一个很好的发展方向。