1.使液晶显示器件在有无外界光的环境下都能使用;
2.提高背景光亮度,改善显示效果。
二. 分类:
现对常用的背照明光源,按如下分类说明:
(1)背光
特 点:
寿命长,>100,000小时;
亮度调节简便;
是常用的背光方式;
有四种不同的布局(如下图示)可适合各种不同模块的采光需求;
可根据客户设计其它形式的布局。




注:*"A"必须接+3.8V~+4.2V,而不要直接接+5V,因为当背光板长时间>4.2V时会使其过热,将影响正常显示,此时须对您的+5V降压处理后再接入;部分产品已在模块上采取了措施,可以直接+5V,详情请向TSINGTEK咨询。
采用LED背光的LCM结构示意图
边光
背光
LED单元的极限参数(在25℃条件下)
电-光参数
EL-场致发光
特点:
能提供亮度高且均匀的背光;
背光板很薄,一般小于1mm,因此对整个LCM的厚度影响不大;
在正常的驱动条件下初始亮度高,其亮度的半衰期为5,000∽8,000小时;
标准颜色为蓝-绿色,若需其它颜色的EL背光请向TSINGTEK咨询;
EL背光需特制的供电,其输入电压为5V,下附一个特制逆变器的简单说明;
您可向TSINGTEK咨询适合您使用的EL逆变器。
采用EL背光的LCM结构示意图

EL参数的极限范围
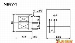
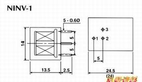
逆边器说明(以NIVI-1为例)
1:5V直流输入
Pin2:公共地
Pin3:输出
逆变器参数范围
典型电特性(环境温度25℃,5V输入,30cm2) 
FL-冷阴极荧光灯
特点:
亮度高、功耗低;
适用于大面积显示所需的背光;
色还原很好;
亮度可调节;
平均亮度半衷期为20,000小时;
需要相对应的逆变器。
采用CCFL背光的LCM结构示意图