一、概述是式直流放大中的一个重要环节。由下图的方框可见:欲放大的直流信号ui经过调制器后,变为交流信号U;再经过交流放大器放大后,最后由转换成直流输出信号UO;产生开关信号U;用于控制调制器的取样动作。由于信号的放大任务主要由交流放大器完成,而交流放大器的零点漂移小到可以忽略不计,调制器与器的零漂也可以做得很小,所以,调制式直流放大器可用来放大微弱的直流信号,
调制器通常有三种形式:机械调制器(机械斩波器)、调制器、场效应管调制器。按电路形式可分为并联调制器和串、并联调制器两种,后者比前者性能优越,但结构复杂。
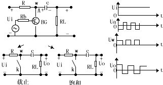
二、调制器原理 | | 下图为调制器的原理图,因为开关K并联,故称为并联制器 |
| 工作过程如下:若在0-T/2时间内K断开,则A点取得UmA;若在(T/2)-T时间内K接通,则A点接地;以后随差开关K地通断动作,在A点将得到一脉动的直流UA(如下图),UA可以分解为直流分量UAO和交流分量UA-O,经过隔直C后,UAO降落在器上,而交流分UA-被送到负载RL上去,即UO=UA-O |
| 三、并联调制器 |
1、晶体管调制制器 晶体管调制器是以晶体三极管作开关器,其电路和波形如下图所示,晶体管BG的基极接入控制电压Ua(方波),当Ua为负半波时,BG载止,则Ui对C充电,充电从上而下流过RL,所以UO为正;反之,当Ua为正半波时,BG饱和,则C经BG及RL放电,放电电流从下而上流过RL,故UO为负。随着UO交替地变化,输出端UO就得到了交替的方波电压,其数值正比于输入电压,它的与Ua相同。 |
|

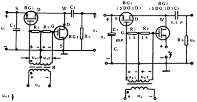
2、场效应管调制器 场效应管调制器是以场效应管作为开关器,其电路及波形如下图所示,由图可见,当BG的栅极加上负向脉电压Ua,就能定期地控制场效应管的开通与夹断,从而把输入直流电压Ui变为交流输出电压UO,工作过程与晶体管调制器相同。 |
| 四、串并联调制器 |
|
下图(a)为串并联调制器及其波形图。BG1与负载RL串联,BG2与RL并联,两只场效应管BG1、BG2分别为受电压Ua1与Ua2控制;而Ua1与Ua2对地点来说,相反,若在0-(T/2)时间内Ua1为正,则Ua2为负,使BG1导通和BG2截止,此时Uw=Ui若在(T/2)/T时间内Ua1为负,则Ua2为正,使BG1截止和BG2导通,此时,UW=0。经过耦合电容C2后,滤UW中的直流分量,在负截RL两端得到 了交流的调制方波, 在下图(b)中是双直流输入信号(Ui和Uf)的串、并联调制器及其波形图,它可同时完成调制与比较两项任务,输出电压UO正比于两输入信叼的幅值差,工作原理与上述相同 |
|