KF=K/(1+FK)
式中:K=UO/Ui是开环增益
F=UF/UO 是反馈系数
![]() |
![]() |
![]() |
| 一般用RC选频网络实现选期,图(b)示出反馈系数F随频率f的变化曲线(频率特性),当f=fo时,则F=0。所以,对谐振频率fo来说,放大电路不存在负反馈,故KF=K,此时放大器的输出最大。随着频率远离fo,F就急速地增加,相应的KF也很快衰减至零,见上图C因而,偏离fo点的其它无用频率的输出电压也就很小很小了,至于KF的衰减快慢,主要是取决于反馈网络的选频特性,通常用双T电桥的RC选频网络,它在实际使用中,最常用的有两种: |
![]() |
| 等一种是非对称双T电桥如上图所示,假设内阻RS=0,RL=00,则计算公式如下: 谐振角频率ωO=1/RC-------------------------1式 品质因数Q=[1/2(1+a)]=[fo/2△fo.7]---------2式 传输系数(反馈系数)的模、幅角分别为: |
φ =arctg1/QY 式中:Y=σ-(1/σ)是广义系数 σ=f/fo是相对失谐系数-----------------------4式 2△fo.7主为半功点的带宽 由2式可见:对固定的谐振频率fo来说,Q越大,则通频带越窄;反之Q越小,则通频带越宽,因此,Q的大小可以反应出双T网络的选择性好坏。这种双T电桥的优点是Q较大,但低,输出高,与放大器联接不便,由于桥臂参数不同,选用和调节也带来麻烦,只有选择性要求较高,才使用非对称双T电路,该电路的输入、输出阻抗及相角变化情况请参看最上面的图其中a通常选用(0.1-0.2)可得到较大的Q值。 第二种是对称双T电路,如下图-3所示,计算公式如下: | |
| 谐振频率:ω0= | |
| 品质因数:Q= |
| 显然,Q与n有关,当n=1时,则Qmax=0.25,但调节不便,为了调节方便,经常选用n=0.5,相应于三只数值相等;或选用n=2,相应于三只数值相等,由于对称双T电桥,在选择元件和调整上都比较方便,故得到广泛的应用, 传输特性不对称性的校正方法: 实际使用中,由于RS≠O和RL≠OO而且有时双T网络与放大器使用交流耦合,例图4(A)的情况,信号源(ES及RS)经CS与双T耦合,由于频率为零时,1/ωCS为无限大,所以F=O;而当频率很高时,则CS、C2、C3容抗很小,此时F近似为RL/(RL+RS);由于ZS、RL不影响谐振频率,仍然在f=fo时,F=0;因此,F随频率变化的曲线如图4(B)示,由图可见,传输特性是不对称的 |
![]() |
| Z3和RL的存在不但使F的幅频特性畸变,而且也使它的相频特性产生不对称,如果在谐振点附近的相移超过 π/2,加上某此附加相移的作用,在这次闭环放大电路里,就会引入正反馈而发生自激振荡。为了消除这种不良现象,在电路图4(A)的RL两端并接上CL,在CL的作用下可F的幅相特性得到校正见图4(B),理相校正时,应满足下式关系: R1C1=R2C2=RLCL=RSCS R1R2=(1+n)RLRS 如果耦合电容接于负载端,则必须在输入端1、1'并接电容CS,理想较正条件仍如上式关系 如果,双T与放大咕嘟使用直接耦合方式,则不必接入CS或CL,此时,F的、相移特性的对称条件可简化为: R1R2=(1+n)RSRL R1C1=R2C2 必须注意:(1)双T网络与放大器直接耦合,虽然选择性较高,但直流工作点将受到影响,调整因难; (2)要使内阻ZS尽量减小及负载ZL尽量加大,否则会明显地降低双T的选择性,因此基本放大电路应前后接入射极跟随器或源极跟随器,以满足双T网络的要求,(3)在元伯参数有误差的影响下,,也会破坏了双T的平衡条件,使幅频、相频特性发生变化,因此双T网络的元件应按照具体要求,必须经严格选出温度特性好,工作稳定的元件,并要进行老化 |
![]() 图4(A) |
![]() 图4(B) |
![]() 图4(C) |
| 二、双T电桥与放大器的连接方式 |
| 双T电桥与放大器的连接方式见下表 |
|
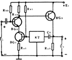
| 三、实用电路分析与调整方法 1、电路分析 |
| 图5为固定频率的选频放大电路,谐振频率是100赫,通频带小于6赫,谐振点的增益|KF|=70,它属于第一类选频放大电路,BG1、BG2组成共射放大电路,输入信号Ui与反馈电压UF分别加于两管的基极[UF先经射随器BG4再送到BG2基极],其作用是:一方面增加选频放大电路的输入,另一方面可使双T的负载[即BG4的输入电阻]增加,以消除输入信号源内阻RS对双T的影响,BG3也是射随器,它使双T的内阻减小,从而提高了电路的选择性,双T电桥为非对称型,它与放大电路交流耦合,故用CL来校正幅频相频特性的对称性。 |
![]() 图5 |
| 2、调整方法 |
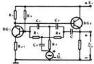
| 为了降低对电阻精度的要求和便于调虎离山节,R2(或R3)分别用一只固定电阻R'2(或R'3)和电位器R'2(或R'3)组成,电位器数值为R2(或R3)的10-20%为宜[若固定电阻,误差是5%],然后按要求精度来选电容。 |
![]() 图6 |
| 调整步骤 (1)按图6电路双T网络进行粗调,信号源选频率100赫,输入电压大于2伏,然后反复调电位器R'2和R'3务必使输出电压最小,对于定点频率的双T网络,使in=0.002是不因难的(即衰减54)注意在图5电路中,对双T网络来说,右边为输入端,左边为输出端,另外,信号源的非线性要小,否则很难使Fmin=0.002. (2)调放大器的直流工作点, 由于基本放大电路是直接耦合放大器,各级工作点彼此有牵连,所以只要调节偏置Rb1、Rb2使Ue3为6-7伏即可。 (3)调放大器的无反馈(开环)增益,从BG1基极输入信号(f=100和赫)调节输入幅度,使输出波形不失真,并求K=UO/Ui=70,若K>70,则减小Re2;反之,若K< 70,可增加Rc2,直至K=70为止。 (4)双T电桥细调 拉入双T电桥,因双T已调准于f=100赫及Fmin≈0的,又因双T的输入阻抗比放大器的输出阻抗大很多,所以接入双T电桥后,对谐振点来说,负反馈为零。因此,应该不影响放大器的增益,根据这个道理,若接入双T网络后,K略小于70(因双T总有点负载效应),则说明电路是正常工作的;若接入双T网络后,K大于70,则说明双T在谐振点处引入正反馈,这时应调大R'3,使K减小至70;反之当接入双T网络后,K减小较大,则说明了双T在谐振处Fmin≠O,故引入负反馈,致使K减小,此时可适当调小R'3,务使K增大到70为止。 在调试过程中,如果发现自激现象,则应首先把自激消除后,再进行调试,有三类自激振荡1、谐振点附近的自激,因为在fo附近双T电桥产生正反馈,可调节R3使自激消除,2、在极低频率附近(约几赫)时,是由于双T网络的幅频相频特性不对称,加上极低频率时,放大器的耦合电容或旁路电容会引入附加相移,从而构成了正反馈,因此,消除这类自激振蒎,可以改用直耦放电路或将耦合电容、旁路电容的数值减少,尤其要注意双T网络与放大器的耦合电容C4的影响;3、高频自激振荡(约几十千赫)消除方法是收缩放大器的通频带,使高端增益讯速地衰减,例如图5电路中接入Cm,使BG2的负载变为R2与Cm并联,选取Cm的数值,使其在低频时,Cm不起作用,而在自激频率附近,造成了BG2的阻抗突然急剧地减小,从而使自激消除。 |













