网友的毕业设计发上来大家共享
有需要改进的地方大哥们尽管提哈!!
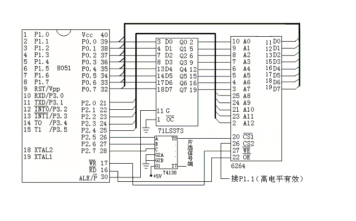
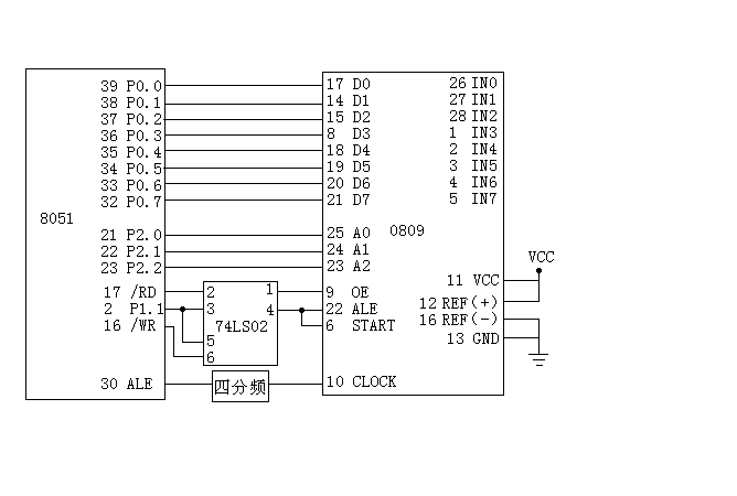
图在上传的文件里
程序在下面
源程序:
单路采集程序:
MOV DPTR,#0F8FFH
MOV R0,#00H ;将的首地址存在R0,R1两个寄存器中
MOV R1,#00H
MOV R2,#200D ;设置循环
MOV R3,#4
MOV R4,#8D
MAIN:
CLR P1.1 ;选中ADC0809
PUSH DPL ;DPTR入栈
PUSH DPH
MOVX @DPTR,A ;启动AD转换
ACALL DELAY ;延时5ms 保证采集数据为200
MOVX A,@DPTR ;读数据
SETB P1.1 ;选中存储器
MOV DPL,R0 ;将存储器的地址给DPTR
MOV DPH,R1
MOVX @DPTR,A ;存数据
INC DPTR ;指向下一存储单元
MOV R0,DPL ;将该单元地址重新存入寄存器中
MOV R1,DPH
POP DPH ;DPTR出栈
POP DPL
DJNZ R2,MAIN
DJNZ R3,MAIN
DJNZ R4,MAIN
SJMP $
DELAY: ;延时程序 延时5ms
MOV R5,#100D
MOV R6,#24D
LA:DJNZ R5,$
DJNZ R6,LA
RET
END
循环采集程序:
MOV 30H,#00H ;将八块存储器的首地址分别存在30-3F共16个内部存储单元
MOV 31H,#00H
MOV 32H,#00H
MOV 33H,#20H
MOV 30H,#00H ;将八块存储器的首地址分别存在30-3F共16个内部存储单元
MOV 31H,#00H
MOV 32H,#00H
MOV 33H,#20H
MOV 34H,#00H
MOV 35H,#40H
MOV 36H,#00H
MOV 37H,#60H
MOV 38H,#00H
MOV 39H,#80H
MOV 3AH,#00H
MOV 3BH,#0A0H
MOV 3CH,#00H
MOV 3DH,#0C0H
MOV 3EH,#00H
MOV 3FH,#0E0H
MOV R2,#200D ;设置外循环200*40共8000次
MOV R3,#40D
MAIN: MOV DPTR,#0F8FFH ;0通道的地址
MOV R0,#30H ;R0,R1作为存储器地址的中间变量
MOV R1,#31H
MOV R4,#8 ;设置内循环
LOOP: CLR P1.1 ;选中ADC0809
PUSH DPL ;DPTR入栈
PUSH DPH
MOVX @DPTR,A ;输入一个数启动AD转换
ACALL DELAY ;等待延时以达到每秒采集200个数据
MOVX A,@DPTR ;读数据
SETB P1.1 ;选中存储器
MOV DPL,@R0 ;将存储器的地址给DPTR
MOV DPH,@R1
MOVX @DPTR,A ;存数据
INC DPTR ;指向下一存储单元
MOV @R0,DPL ;将该单元地址重新存入内部数据存储单元
MOV @R1,DPH
INC R0 ;指向下一块存储器的地址
INC R0
INC R1
INC R1
POP DPH ;DPTR出栈
POP DPL
INC DPH ;指向下一通道地址
DJNZ R4,LOOP ;内循环
DJNZ R2,MAIN ;外循环
DJNZ R3,MAIN
SJMP $
DELAY: ;延时程序 延时600us
MOV R5,#100
MOV R6,#3
LA:DJNZ R5,$
DJNZ R6,LA
RET
END 
